| 注意:访问本站需要Cookie和JavaScript支持!请设置您的浏览器! • 打开购物车 • 查看留言 • 付款方式 • 联系我们 |
![]() |
| 首页 | 电子入门 | 学单片机 | 免费资源 | 下载中心 | 商品列表 | 象棋在线 | 在线绘图 | 加盟五一 | 加入收藏 | 设为首页 |
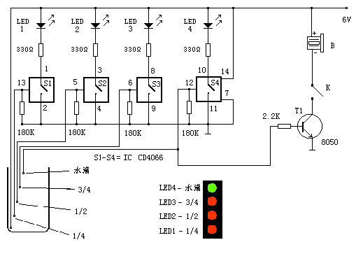
| 选择分类:当前分类——当前分类 相关联或者相类似的文章: ++ 水位指示及水满报警器 ++(-809) 老话:大批网民投诉my8848(-1494) 关于本站工资的有关事宜(-8467) 元器件识别与检测(-8697) [自传]学习电子技术的捷径----先实践后理论(-9020) 74.40.45系列功能简介(-9117) 用红外接口进行资料传输(-9324) PC 机红外线接口(主板型)(-9340) 单片机开发中应掌握的几个基本技巧(-9351) 绝招——万能检查法(-9377) 怎样拆卸集成电路块(-9379) 信一半(-9392) [转帖]PCB设计流程(新手必读)(-9473) 现在许多学习板,板上连总线都没有(-9494) 如何购买电子学习用书(-9840) 大学生竞争对手也自叹不如(-10847) 电子基础知识1(-12131) 对硬盘进行“热插拔”时需注意的问题 (-18698) 本站工资统计系统已经启动(-18943) 电子制作之音响篇(-26421) 首页 前页 后页 尾页 本站推荐: | ++ 水位指示及水满报警器 ++ ++ 水位指示及水满报警器 ++ 这里介绍的电路不仅能提供水位指示还能在水满时发出报警声,简单实用。 该电路由一片四双向模拟开关集成电路CD4066为核心构成。每个电路内部有四个独立的能控制数字或模拟信号传送的开关。当水箱无水时,由于180K电阻的作用,使四个开关的控制端为低电平,开关断开,LED 不发光。随着水位的增加, 由于水的导电特性,使得IC的13脚为高电平,S1接通,LED1点亮。当水位逐渐增加时,LED依次发光指示水位。水满时, LED4发光, 显示水满。同时T1导通, B发出报警声,提示水已满。不需要报警声时,断开开关K即可。 制作时,可参考下图选择元器件,并可制作一个简易面板。T1建议选择放大倍数较大的8050。B可根据实际情况及个人爱好选择合适报警器。其它无特殊要求。 ![]() 1、 本站不保证以上观点正确,就算是本站原创作品,本站也不保证内容正确。 2、如果您拥有本文版权,并且不想在本站转载,请书面通知本站立即删除并且向您公开道歉! |
|
本站协议 |
版权信息 |
关于我们 |
本站地图 |
营业执照 |
发票说明 |
付款方式 |
联系方式
深圳市宝安区西乡五壹电子商行——粤ICP备16073394号-1;地址:深圳西乡河西四坊183号;邮编:518102 E-mail:51dz$163.com($改为@);Tel:(0755)27947428 工作时间:9:30-12:00和13:30-17:30和18:30-20:30,无人接听时可以再打手机13537585389 |